Moderador: Moderadores
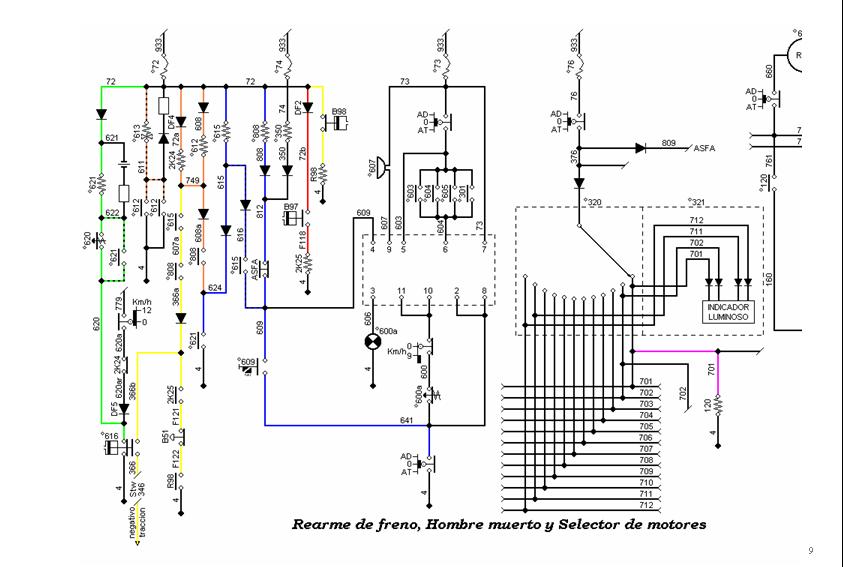
Hombre muerto
Dispositivo de seguridad instalado en todas las cabinas de conducción de cualquier vehículo motor. Este sistema, que actualmente se denomina Dispositivo de Vigilancia Hombre-Muerto, tiene como misión activar el frenado de emergencia en el caso de que maquinista sufra un desvanecimiento.
Originalmente el dispositivo era de actuación neumática. Existía una tubería que ponía a la atmósfera la presión de un depósito de control del equipo de freno. Esta tubería se cerraba con una válvula accionada por un pedal que el maquinista tenía que pisar constantemente. Debido a que era fácil anular el sistema ya que cualquier peso puesto sobre el pedal simulaba la presión del pie del maquinista se inventó el sistema de doble etapa.
El funcionamiento del sistema de doble etapa es el que actualmente existe en todos los vehículos, y consiste básicamente en la siguiente secuencia de actuación:
− Secuencia de pedal pisado: • A los 30 s de haber pisado el pedal se enciende una luz azul de aviso en el pupitre. • Si no se hace nada 2,5 s después suena un aviso acústico. • Si no se hace nada 2,5 s después se abre el lazo de freno provocando el frenado de emergencia.
− Secuencia de pedal no pisado: • A los 2,5 s de estar libre el pedal se enciende una luz azul de aviso en el pupitre. • Si no se hace nada 2,5 s después suena un aviso acústico. • Si no se hace nada 2,5 s después se abre el lazo de freno provocando el frenado de emergencia.
La actuación sobre el sistema se realiza según el tipo de tren utilizando alguno de estos medios: - uno o más pedales. - uno o más pulsadores independientes. - pulsador situado en el manipulador de tracción / freno.
La tecnología ha evolucionado desde los controles puramente neumáticos hasta los digitales que se integran en los registradores jurídicos (caja negra) o sistemas de control por ordenador que conforman los trenes actuales. En vehículos modernos, el ordenador analiza incluso los intervalos en los que se actúa sobre el dispositivo y, si estos son excesivamente exactos unos de otros, actúa sobre el freno de emergencia.



Usuarios navegando por este Foro: No hay usuarios registrados visitando el Foro y 30 invitados